MV Potential Transformers
Newtek MV Potential Transformer, a high-performance solution for accurate voltage measurement and monitoring in medium-voltage electrical systems. As a leading potential transformer manufacturer, Newtek specializes in delivering reliable and precise transformers designed to meet the specific requirements of medium-voltage applications.
The Newtek MV Potential Transformer are manufactured using high quality PU material. Engineered with precision and expertise, We manufacture transformers utilizing advanced manufacturing techniques and high-quality materials. Newtek’s MV transformers are type tested for various parameters to ensure durability, performance, and adherence to industrial requirements. As a trusted manufacturer, Newtek is committed to delivering exceptional quality and performance. Our MV Potential Transformers are designed to withstand harsh conditions, delivering accurate voltage measurement even in challenging environments. We prioritize customer satisfaction and strive to provide innovative solutions that meet the diverse needs of our clients.
Please review the following options and select the models that best suit your installation requirements:
HSV
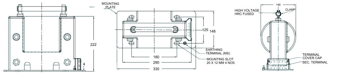
HSV: 12kV
Product Feature
- Cores are made from high-grade CRGO material.
- Dual coated copper wire having the class of insulation H.
- Nickel-plated secondary terminals with plus-minus screws of 0.SNm.
Technical Data


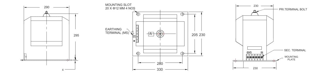
HSV: 22kV
Product Feature
- Cores are made from high-grade CRGO material.
- Dual coated copper wire having the class of insulation H.
- Nickel-plated secondary terminals with plus-minus screws of 0.SNm.
Technical Data


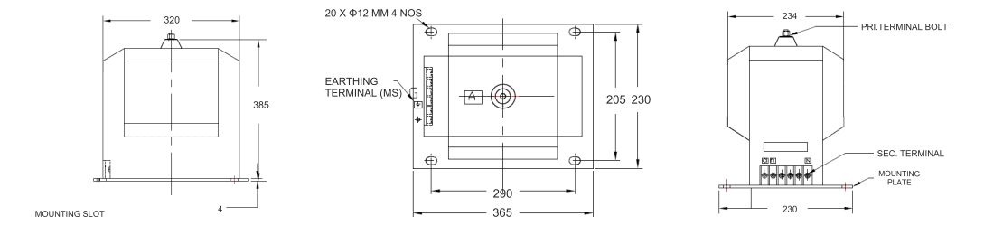
HSV: 33kV
Product Feature
- Cores are made from high-grade CRGO material.
- Dual coated copper wire having the class of insulation H.
- Nickel-plated secondary terminals with plus-minus screws of 0.SNm.
Technical Data


We hope our products meet your needs and expectations. Thank you for your trust and support!